您当前的位置: 主页 > 新闻中心 > 行业新闻 >

    闸阀结构性能原理及分类介绍

    来源:http://www.hsfamen.com    2015-12-25 11:12:43

       闸阀的结构原理介绍是个老生常谈的知识,各大搜索引擎也都能搜到相关文章,不过多数转载自同一源头,并且介绍并不充分。本文上将为您介绍最全面的闸阀结构原理以及分类,相关闸阀产品。 闸板沿着阀体流道中心线的垂直方向移动并且达到启闭目的的阀门称之为闸阀,主要作切断用,使用广泛。闸阀的结构图如图所示。
    闸阀结构图
       管道控制多数采用闸阀作为控制装置。其中给排水主要采用弹性座封闸阀(蓝色)。化工厂及相关温度及介质要求高且特殊的一般采用硬密封闸阀:铸钢闸阀,不锈钢闸阀(银色)等。
    一、闸阀结构分类:
       闸阀按结构形式分类可分明杆闸阀和暗杆闸阀。且个可分为楔式闸板和平行式闸阀,其中平行式闸板的结构多数为刚性闸板,楔式含有弹性闸板,闸阀还可分为单闸板和双闸板。分类图如图:
    闸阀分类
    二、闸阀的结构性能:
       闸阀在管道上作为全开或者全关切断用,一般不作为调节流量使用(如果用来调节流量,闸板和阀座密封面易冲蚀损坏而且噪声大)。壳体采用不同的材料可适用于不同温度,不同压力,不同性质的介质。适用范围广,但闸阀一般不宜用于输送泥浆等稠类介质。
    闸阀优点:
    1、流体阻力小,压力损失小。
    2、阀门启闭所需力矩小
    3、阀门内介质可双向流动。
    4、结构较简单,制造工艺性相对较好
    5、密封性较截止阀好
    闸阀缺点:
    1、一般闸阀有两个密封面,加工制造较截止阀复杂
    2、密封面间有相对摩擦,磨损较大,密封面磨损后维修不方便
    3、阀门中腔结构尺寸大,致使结构长度长,外形尺寸大
    4、阀门启闭时间长(5)能形成密闭阀腔,故需要时应设置防止中腔异常升压的泄压结构
    三、闸阀的结构形式及分类
       闸板分类结构形式:楔式闸板是指两侧密封面呈一定角度(如5度、4度、2度52分)的楔形板与具有同样角度的两阀座组成两个密封副。
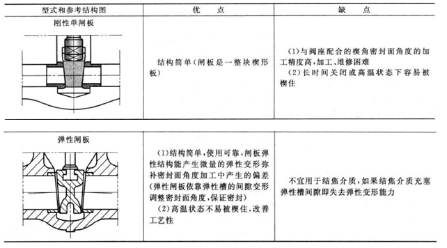
    1、楔式刚性单闸板和楔式弹性闸板  :楔式刚性单闸板结构简单,但是由于是刚性结构,闸板加工精度要求高,楔式弹性闸板结构相对简单,但是不耐高温且不宜用于易结焦介质。结构以及性能比较如图所示。
    闸阀结构以及性能比较
    2、楔式双闸板  :楔式双闸板密封面角度的精度要求低,温度变化不易引起楔住,同时密封面不易磨损,密封性能好。但是结构复杂并且阀体中腔增大。如图所示。
    3、平行式单闸板和平行式双闸板  :与楔式闸板相比平行式闸板的两侧密封面是平行的,其与两平行阀座组成密封副。平行式单闸板和平行式双闸板又分成无导流孔闸板及有导流孔闸板(普通型和调节型),如图所示。
    平行式单闸板和平行式双闸板
    1)无导流孔平板闸阀安装尺寸小,重量轻,适用于不需要通球清管的场合。
    2)有导流孔平板闸阀是全通径的,可用于需通球清扫的管线上。
    4、刀型闸板阀  :刀型闸板刀型闸板是薄形的无导流孔单闸板,适用于粉末和固体颗粒状介质。性能如图所示。
    刀型闸阀性能
    明杆以及暗杆结构形式  :明杆闸阀在启闭阀门时,阀杆会随着阀门的开启而上升,能直观看出阀门的启闭状态。暗杆闸阀阀杆不随启闭而上升,不易看出启闭状态,但是具有安装空间小的优点。暗杆单闸板闸阀如图所示。
    暗杆单闸板闸阀结构图
上一篇:截止阀结构性能原理及分类             下一篇:蝶阀结构性能原理及分类介绍

  •    
    展开