首页
走进沪山
产品中心
新闻中心
营销市场
案例展示
代理商
服务中心
联系我们
闸阀
球阀
蝶阀
减压阀
调节阀
电磁阀
隔膜阀
疏水阀
平衡阀
旋塞阀
截止阀
排泥阀
切断阀
针型阀
过滤器
阻火器
排气阀
呼吸阀
安全阀
止回阀
您当前的位置:
主页
>
新闻中心
>
行业新闻
>
公司新闻
行业新闻
阀门知识
阀门问答
QXF-5型充气阀
来源:
http://www.hsfamen.com
2015-12-27 13:12:03
产品名称:
充气阀
产品型号:
QXF-5型
驱动方式:
无驱动
连接形式:
螺纹
结构形式:
自作用式
密封结构:
软密封、硬密封
压力范围:
4~40MPa
公称通径:
DN5
常用材质:
铸钢、不锈钢
技术咨询:
021-31007323
一、QXF-5型充气阀图形符号
:
二、XF-5型充气阀技术参数:
1、称通径:5mm
2、充压范围:4~40MPa
3、可充蓄能器型号:NXQ-*0.6~100/*-H
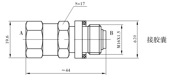
三、QXF-5型充气阀外形尺寸:
上一篇:
锅炉上用到的弹簧式安全阀介绍
下一篇:
热动力式疏水阀工作原理及优缺点介绍
展开
收缩
QQ在线客服
客服①
客服②
联系方式
电话:
021-31007323
电话:
18818008975