

YSE系列高压不锈钢电磁阀
| 适用介质 | 蒸汽等气体、水及粘度小的液体 |
| 型式 | 常闭 |
| 电压波动范围 | .±10% |
| 阀体材料 | 不锈钢 |
| 电压 | AC220、AC110、AC36 DC24V |
![]() |
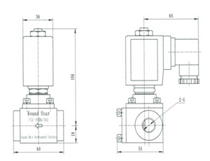
![]() |
| 型号 | YSE-010 | YSE-015 | YSE-020 | YSE-025 | YSE-030 | YSE-100 | YSE-150 | YSE-200 | YSE-250 |
| 公称通径(mm) | 1.0 | 1.5 | 2.0 | 2.5 | 3.0 | 10 | 15 | 20 | 25 |
| 接管螺 | G1/4 G3/8 | G3/8 G1/2 | G1/2 | G3/4 | G1 | ||||
| 适用介质 | 液体、气体 | 液体、气体 | |||||||
| 动作方式 | 直动式 | 先导式 | |||||||
| 介质温度℃ | ≤180 | ≤100; ≤180 | |||||||
| 公称压力(MPa) | 16/25 | 10/16 | 8/10 | 6/8 | 4/6 | 10/16 | |||
| 工作压差(MPa) | 0~16/0~25 | 0~10/0~16 | 0~8/0~10 | 0~6/0~8 | 0~4/0~6 | 0.6~10/0.6~16 | |||
| 阀体长度(mm) | 44 | 44 | 44 | 44 | 44 | 60 | 70 | 80 | 90 |
| 高度(mm) | 98 | 98 | 98 | 98 | 98 | 125 | 138 | 144 | 154 |