您当前的位置: 主页 > 新闻中心 > 行业新闻 >

    YQ98005过滤活塞式电动浮球阀

    来源:http://www.hsfamen.com    2016-01-08 22:01:33

    一、过滤活塞式电动浮球阀概述:
       YQ98005过滤活塞式电动浮球阀是在遥控浮球阀的基础上安装了常开型电磁阀电控装置。使电动浮球阀具有双保险作用,即使在停电或电浮球失灵的情况下,也能控制水位,绝不允许水位超过警戒线或溢出,电动浮球阀可以设置启闭水位,解决主阀频繁启闭的缺点,是新一代的水位控制阀。广泛用于市政给排水、消防、工矿企业等水池或水塔的进水管道中,作为水位自动控制阀,是水池、水塔进水阀首选产品。
    二、过滤活塞式电动浮球阀主要零件材质如下表:
    零件名称 材质
    阀体、阀盖 铸铁、铸钢、不锈钢
    阀座 锡青铜、不锈钢
    阀瓣 碳钢、不锈钢+丁腈橡胶
    阀杆 铝青钢、铬不锈钢
    活塞 铬不锈钢+丁腈橡胶
    过滤网 不锈钢
    弹簧 不锈钢
    三、过滤活塞式电动浮球阀工作原理: 
       YQ98005过滤活塞式电动浮球阀主要安装于水池或高架水塔的进水口处,当水位达到设定的高度时,主阀由浮球导阀控制关闭进水口停止供水;当水位下降后,主阀由浮球导阀控制打开进水口向水池注水,实现自动补水。液位控制精确,不受水压干扰;隔膜式遥控浮球阀可随水池的高度及使用空间任意位置安装、维护、调试、检查方便,使用寿命长。性能可靠、强度高、动作平稳。关闭严密可靠,阀体采用流线型设计,流体阻力小,流量大;使用维护方便,主阀安装在水池外面,调试检验方便,维修简单。
    四、过滤活塞式电动浮球阀特点:
    1、关闭严密。采用牢固Q型环密封,利用液压控制原理,使滑盘关闭与进水压力成正比,密封可靠性高。
    2、过流量大。阀体采用全通道流线型设计,流体阻力小,流量大。
    3、运行安全。利用水力操作,可自动控制水塔或水池液面,液面控制准确度高。
    4、使用维护方便。主阀安装在水池外面,调试检查方便,维修简单。
    五、过滤活塞式电动浮球阀主要技术参数表:
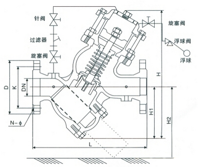
    YQ98005过滤活塞式电动浮球阀 YQ98005过滤活塞式电动浮球阀结构图
     公径压力(Mpa) 1.6
     公称通径(DN) 40 50 65 80 100 125 150 200 300 400
     适用温度(℃) 0-100
     环境温度(℃) -30-350
     适用介质 水(如使用海水中订货需注明)
    六、过滤活塞式电动浮球阀安装示意图:
     过滤活塞式电动浮球阀安装示意图
     
上一篇:YQ98006过滤活塞式电磁控制阀             下一篇:蝶阀规格型号选用

  •    
    展开