您当前的位置: 主页 > 新闻中心 > 行业新闻 >

    DG7MH41H管力阀介绍

    来源:http://www.hsfamen.com    2016-05-12 23:05:30

    一、DG7MH41H管力阀产品简介:
       该系列产品广泛用于电力、治金、石化、市政、环保等行业供水系统加压输出水泵出口处,防止管道中介质逆流,通过快开和缓闭动作来消除水锤的危害,保护水泵及管网的安全可靠。在设计上充分考虑了使用环境的要求,曾多次进行技术改造。该产品结构新颖、体积小、运行平稳、密封可靠、耐冲刷等特点。由于体积小,重量轻,特别适用于大口径的管路系统。
    二、DG7MH41H管力阀产品实拍:
    DG7MH41H管力阀实拍 DG7MH41H管力阀实拍图
    三、DG7MH41H管力阀工作原理:
       当水泵气动后进口端经过过滤器,闸板、高压管进入活塞下腔,在水的压力下推动活塞带动小阀板,缓缓开启,大阀板在水力的推动下,与小阀瓣同时开启,完成开阀,停泵时阀内的水急速下降,大阀瓣在重重力的作用下快速关闭,截断90%的水流,出水端的回水压力经过过滤器,闸板,高压管,进入活塞缸上部,在水压力推动下活塞带动小阀板缓慢关闭,实现实现闭闸
    四、DG7MH41H管力阀技术参数:
    名称 公称通径 适用温度 适用介质 流阻系数 最低工作压力
    参数 DN200~DN2000 0~80℃ 水、油品 0.31.1 ≥0.1
    名称 关闭时间 开阀时间可调 结构长度标准 法兰标准 泄漏量
    参数 快闭1~3秒
    慢闭3~90秒
    20~60秒 GB2221-89 GB/T17241.6 零泄漏
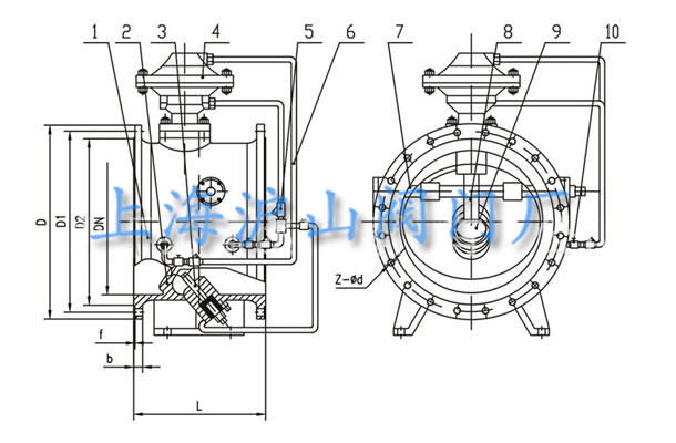
    五、DG7MH41H管力阀主要连接尺寸:
    DG7MH41H管力阀结构图
    遥控膜片式管力阀-10C/16/25C
    DN 200 250 300 350 400 450 500 600 700 800 900 1000 1200 1400 1600 1800 2000
    L 230 250 270 290 310 330 350 390 430 470 510 550 630 710 790 870 950
上一篇:HDZ744X智能自控阀介绍             下一篇:BKH高压球阀BKH-160P-DN15实拍

  •    
    展开