Q347F蜗轮传动固定式球阀、Q347F-16C涡轮固定球阀
一、蜗轮传动固定式球阀产品介绍:
Q347F蜗轮传动固定式球阀是手动驱动系统装置中的一种,顶部设有开度指示盘,能准确指示球阀的开启角度。主要是用来在管道中起到截断介质的作用,而且具有手动调节介质流量的功能。Q347F蜗轮传动固定式球阀采用手动蜗轮驱动,球阀上下阀杆固定阀芯(轴支式)和可动密封座设计。工作更稳定。具有自动补偿功能、双向密封阀座之间无间隙回转时具有很大的剪切力及自洁功能。尤其适用于帝制纤维和有微小固体颗粒的悬浊液及粘性介质的通断。本产品可广泛应用于造纸、石化、化工、冶金、电力、环保、石油、轻工等工业部门的自动化控制系统中。
二、蜗轮传动固定式球阀产品实拍:
三、蜗轮传动固定式球阀工作原理:
Q347F蜗轮传动固定式球阀是在原有的球阀阀杆上接止齿轮箱,只需用旋转很小的转动力矩就能实现开关。蜗轮传动旋转90°即可全关全开,启闭迅速。一般顺时针转动为打开,逆时针转动为关闭。
四、蜗轮传动固定式球阀产品特点:
1、阀座带有磨损自动补偿装置,更可靠的确保球阀的密封性能。
2、密封圈采用特殊材料制成,具有耐高温、耐磨损、使用寿命长的特点。
3、限位块上设有锁孔可锁定开关位置避免误操作,顶部有明显地开和关标识。
4、密封副形式多样,根据不同工况可选用软密封结构、硬密封结构、防火阀座结构等结构设计。
5、根据需要可设置注脂辅助密封结构,在阀座和阀杆部位加装注脂阀,紧急情况下可暂时密封。
6、可设计成防静电结构,在球体与阀杆、阀杆与阀体之间设置导电弹簧,避免静电打火点燃易燃物质,确保系统安全。
7、阀杆采用整体锻造并调制处理,硬度达到HB220~250,阀杆采用防吹出结构设计,根据需要可加长阀杆用于埋地场所。
五、蜗轮传动固定式球阀主要性能规范:
|
型 号 |
试验压力ps(MPa) |
工作温度(℃) |
适用介质 |
|
壳 体 |
密封(液) |
密封(气) |
|
Q347F-10 |
1.5PN |
1.1PN |
0.6 MPa |
-29-200(加玻纤增强聚四氟乙烯)、-29-300(对位聚苯)
|
水、蒸汽、油品等 |
|
Q347F-16 |
|
硝酸等腐蚀性介质 |
|
强氧化性介质 |
|
Q347F-25 |
|
Q347F-64 |
醋酸等腐蚀性介质 |
|
Q347F-160 |
|
尿素等腐蚀性介质 |
六、蜗轮传动固定式球阀主要零件材料:
|
阀 体 |
球体、阀杆 |
阀 座 |
|
WCB |
2Cr13 |
加玻纤增强聚四氟乙烯、对位聚苯 |
|
ZG1Cr18Ni9Ti |
1Cr18Ni9Ti |
|
CF8 |
0Cr19Ni9-(304) |
|
CF3 |
00Cr19Ni11-(304L) |
|
ZG1Cr18Ni-12Mo2Ti |
1Cr18Ni12-Mo2Ti |
|
CF8M |
0Cr17Ni12-Mo2(316) |
|
CF3M |
00Cr17Ni14-Mo2(316l) |
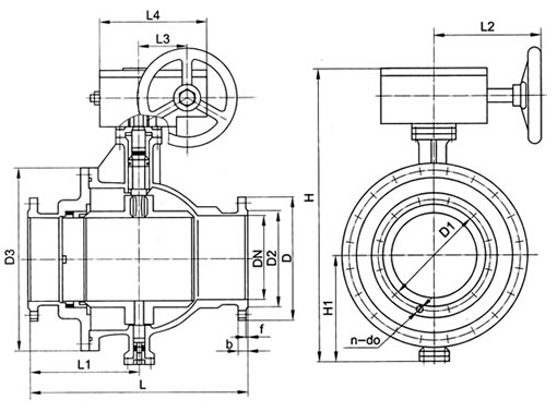
七、蜗轮传动固定式球阀主要外型尺寸:
1.6MPa主要外型尺寸:
|
PN1.6(MPa) |
|
通径(DN) |
L |
d1 |
D |
D1 |
D2 |
b |
Z-d |
H |
重量 |
|
125 |
356 |
125 |
245 |
210 |
185 |
22 |
8-18 |
- |
- |
|
150 |
394 |
150 |
280 |
240 |
210 |
24 |
8-23 |
305 |
113 |
|
200 |
457 |
200 |
335 |
295 |
265 |
26 |
12-23 |
398 |
180 |
|
250 |
533 |
250 |
405 |
355 |
320 |
30 |
12-25 |
495 |
240 |
|
300 |
610 |
300 |
460 |
410 |
375 |
30 |
12-25 |
580 |
390 |
|
350 |
686 |
350 |
520 |
470 |
435 |
34 |
16-25 |
625 |
510 |
|
400 |
762 |
400 |
580 |
525 |
485 |
36 |
16-30 |
720 |
750 |
|
450 |
864 |
450 |
640 |
585 |
545 |
40 |
20-30 |
770 |
950 |
|
500 |
914 |
500 |
705 |
650 |
608 |
44 |
20-34 |
840 |
1190 |
2.5MPa主要外型尺寸:
|
PN2.5(MPa) |
|
通径(DN) |
L |
d1 |
D |
D1 |
D2 |
b |
Z-d |
H |
重量 |
|
100 |
305 |
100 |
230 |
190 |
160 |
24 |
8-23 |
- |
- |
|
125 |
381 |
125 |
270 |
220 |
188 |
28 |
8-25 |
- |
- |
|
150 |
403 |
150 |
300 |
250 |
218 |
30 |
8-25 |
305 |
117 |
|
200 |
502 |
200 |
360 |
310 |
278 |
34 |
12-25 |
398 |
185 |
|
250 |
568 |
250 |
425 |
370 |
332 |
36 |
12-30 |
495 |
245 |
|
300 |
648 |
300 |
485 |
430 |
390 |
40 |
16-30 |
580 |
395 |
|
350 |
762 |
350 |
550 |
490 |
448 |
44 |
16-34 |
625 |
516 |
|
400 |
838 |
400 |
610 |
550 |
505 |
48 |
16-34 |
720 |
756 |
|
450 |
914 |
450 |
660 |
600 |
555 |
50 |
20-34 |
770 |
958 |
|
500 |
991 |
500 |
730 |
660 |
610 |
52 |
20-41 |
840 |
1200 |
6.4MPa主要外型尺寸:
|
PN6.4(MPa) |
|
通径(DN) |
L |
d1 |
D |
D1 |
D2 |
D6 |
b |
Z-d |
H |
重量 |
|
50 |
292 |
50 |
175 |
135 |
105 |
88 |
26 |
4-23 |
- |
- |
|
65 |
330 |
65 |
200 |
160 |
130 |
110 |
28 |
8-23 |
- |
- |
|
80 |
356 |
80 |
210 |
170 |
140 |
121 |
30 |
8-23 |
- |
- |
|
100 |
432 |
100 |
250 |
200 |
168 |
150 |
32 |
8-25 |
- |
- |
|
125 |
508 |
125 |
295 |
240 |
202 |
176 |
36 |
8-30 |
- |
130 |
|
150 |
559 |
150 |
340 |
280 |
240 |
204 |
38 |
8-34 |
365 |
150 |
|
200 |
660 |
200 |
405 |
345 |
300 |
260 |
44 |
12-34 |
398 |
280 |
|
250 |
787 |
250 |
470 |
400 |
352 |
313 |
48 |
12-41 |
445 |
480 |
|
300 |
838 |
300 |
530 |
460 |
412 |
364 |
54 |
16-41 |
515 |
640 |
|
350 |
889 |
350 |
595 |
525 |
475 |
422 |
60 |
16-41 |
550 |
870 |
|
400 |
991 |
400 |
670 |
585 |
525 |
474 |
66 |
16-48 |
615 |
1100 |
10.0MPa主要外型尺寸:
|
PN10.0(MPa) |
|
通径(DN) |
L |
d1 |
D |
D1 |
D2 |
D6 |
b |
Z-d |
H |
重量 |
|
50 |
368 |
50 |
215 |
165 |
132 |
88 |
36 |
8-25 |
- |
- |
|
65 |
419 |
65 |
245 |
190 |
152 |
110 |
44 |
8-30 |
- |
- |
|
80 |
381 |
80 |
260 |
205 |
168 |
121 |
46 |
8-30 |
- |
- |
|
100 |
457 |
100 |
300 |
240 |
200 |
150 |
48 |
8-34 |
290 |
160 |
|
125 |
- |
125 |
355 |
285 |
238 |
176 |
60 |
8-41 |
340 |
190 |
|
150 |
610 |
150 |
390 |
318 |
270 |
204 |
66 |
12-41 |
385 |
220 |
|
200 |
737 |
200 |
480 |
400 |
345 |
260 |
78 |
12-48 |
430 |
450 |
|
250 |
838 |
250 |
580 |
485 |
425 |
313 |
88 |
12-54 |
475 |
760 |
|
300 |
965 |
300 |
665 |
570 |
510 |
364 |
100 |
16-54 |
530 |
1050 |