首页
走进沪山
产品中心
新闻中心
营销市场
案例展示
代理商
服务中心
联系我们
闸阀
球阀
蝶阀
减压阀
调节阀
电磁阀
隔膜阀
疏水阀
平衡阀
旋塞阀
截止阀
排泥阀
切断阀
针型阀
过滤器
阻火器
排气阀
呼吸阀
安全阀
止回阀
您当前的位置:
主页
>
新闻中心
>
行业新闻
>
公司新闻
行业新闻
阀门知识
阀门问答
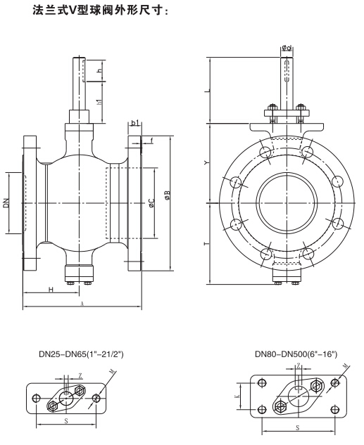
对夹式V型球阀、法兰式V型球阀
来源:
http://www.hsfamen.com
2016-06-30 21:06:31
上一篇:
电动、气动放料阀
下一篇:
气动对夹式V型球阀、气动法兰式V型球阀
展开
收缩
QQ在线客服
客服①
客服②
联系方式
电话:
021-31007323
电话:
18818008975