您当前的位置: 主页 > 新闻中心 > 行业新闻 >

    对夹止回阀和法兰式止回阀各种优点

    来源:http://www.hsfamen.com    2016-07-04 23:07:20

    1、止回阀不能随便选,要考虑工艺管道。对夹式就便宜,旋启式、升降式等各有优点。
    2、法兰式止回阀是指依靠介质本身流动而自动开、闭阀瓣,用来防止介质倒流的阀门,又称逆止阀、单向阀、逆流阀、和背压阀。止回阀属于一种自动阀门,其主要作用是防止介质倒流、防止泵及驱动电动机反转,以及容器介质的泄放。止回阀还可用于给其中的压力可能升至超过系统压的辅助系统提供补给的管路上。止回阀主要可分为旋启式止回阀(依重心旋转)与升降式止回阀(沿轴线移动)。这种类型的阀门的作用是只允许介质向一个方向流动,而且阻止方向流动。通常这种阀门是自动工作的,在一个方向流动的流体压力作用下,阀瓣打开;流体反方向流动时,由流体压力和阀瓣的自重合阀瓣作用于阀座,从而切断流动。其中法兰式止回阀就属于这种类型的阀门,它包括旋启式止回阀和升降式止回阀。
    H44W不锈钢旋启式止回阀
    H41W不锈钢升降式止回阀
    3、旋启式止回阀有一介铰链机构,还有一个像门一样的阀瓣自由地靠在倾斜的阀座表面上。为了确保阀瓣每次都能到达阀座面的合适位置,阀瓣设计在铰链机构,以便阀瓣具有足够有旋启空间,并使阀瓣真正的、全面的与阀座接触。阀瓣可以全部用金属制成,也可以在金属上镶嵌皮革、橡胶、或者采用合成覆盖面,这取决于使用性能的要求。旋启式止回阀在完全打开的状况下,流体压力几乎不受阻碍,因此通过阀门的压力降相对较小。
    H44W不锈钢旋启式止回阀结构图
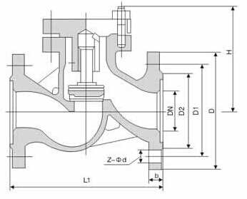
    4、升降式止回阀的阀瓣座落位于阀体上阀座密封面上。此阀门除了阀瓣可以自由地升降之外,其余部分如同截止阀一样,流体压力使阀瓣从阀座密封面上抬起,介质回流导致阀瓣回落到阀座上,并切断流动。根据使用条件,阀瓣可以是全金属结构,也可以是在阀瓣架上镶嵌橡胶垫或橡胶环的形式。像截止阀一样,流体通过升降式止回阀的通道也是狭窄的,因此通过升降式止回阀的压力降比旋启式止回阀大些,而且旋启式止回阀的流量受到的限制很少。
    升降式止回阀结构图

  •    
    展开