电动对夹式蝶阀与电动法兰蝶阀的区别及选用
电动蝶阀作为目前管道中最为常见的阀门之一,是用于实现管路系统种介质的通断以及流量大小的控制,已在石油、化工、冶金、水电等众多领域中,被得到极为广泛地应用。那么在常用的电动蝶阀中,其主要可分为两种,电动对夹式蝶阀和电动法兰蝶阀,而这两种阀门各有各的特点,且在性能上也不尽相同,可选用在不同的工业上。 对于这两种阀门,除了结构形式上不一样以外,如果是在相同参数的情况下,最大的区别就是连接方式不同,也就是安装的形式不一样,这取决于现场工况!
 |
 |
|
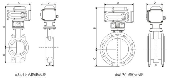
电动对夹式蝶阀 |
电动法兰蝶阀 |
1、电动对夹式蝶阀的厚度相对于法兰蝶阀来说会比较薄一点,阀体两端没有法兰,只有几个导向螺栓孔,阀门用一组螺栓/螺母与管道端的法兰连接,一般适用于空间比较狭窄,或者管道有限制的场所。优点是拆卸比较方便,阀门造价较低,占用空间小,但缺点是一个密封面出问题,两个密封面都得拆开!
2、电动法兰蝶阀阀体两端分别有法兰,与管道法兰连接,密封性相对于对夹式蝶阀会更可靠一些,一般常用于口径较大,或压力较高的场所,但造价比对夹式蝶阀高。
二、电动对夹式蝶阀与电动法兰蝶阀两者之间的选用:
但是设计上还是有些东西要注意的,比如说对夹式的阀门螺栓一般比较长,在高温的工况下,螺栓膨胀后有可能会导致泄露,所以高温工况下不适宜用于大管径。又比如对夹式蝶阀一般不能用于管线的末端和下游需要拆卸的场合,因为当下游的法兰拆卸下来的时候,对夹式的阀门会掉下来,这种情况就必须要在另外做短节以便拆卸,而法兰式蝶阀不存在上面的问题,但是成本会比较高。