

HY41W氧气止回阀介绍
| 公称通径(DN) | 15-600 | |||
| 公称压力(MPa) | 1.6 | 2.5 | 4.0 | |
|
试验压力 (MPa) |
强度 | 2.4 | 3.75 | 6.0 |
| 密封 | 1.76 | 2.75 | 4.4 | |
| 适用温度 | -20℃-200℃ | |||
| 适用介质 | 氧气 | |||
| 阀体 | 硅黄铜、不锈钢 | |||
| 阀芯 | 铜、不锈钢 | |||
| 填料 | 聚四氟乙烯 | |||
| 产品型号 | HY41W-16T/P、HY41W-25T/P、HY41W-40T/P | |||
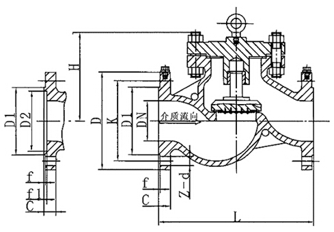
![]() |
![]() |
| 型号 |
公称通径 DN(㎜) |
尺寸㎜ | ||||||
| L | D | D1 | D2 | Z-фd | b | H | ||
| HY41W-16T | 15 | 130 | 95 | 65 | 45 | 4-ф14 | 14 | 77 |
| 20 | 150 | 105 | 75 | 55 | 4-ф14 | 14 | 77 | |
| 25 | 160 | 115 | 85 | 65 | 4-ф14 | 16 | 80 | |
| 32 | 180 | 135 | 100 | 78 | 4-ф18 | 16 | 85 | |
| 40 | 200 | 145 | 110 | 85 | 4-ф18 | 16 | 95 | |
| 50 | 230 | 160 | 125 | 100 | 4-ф18 | 16 | 105 | |
| 65 | 290 | 180 | 145 | 120 | 4-ф18 | 18 | 120 | |
| 80 | 310 | 195 | 160 | 135 | 8-ф18 | 20 | 130 | |
| 100 | 350 | 215 | 180 | 155 | 8-ф18 | 20 | 140 | |
| 125 | 400 | 245 | 210 | 185 | 8-ф18 | 22 | 155 | |
| 150 | 480 | 280 | 240 | 210 | 8-ф23 | 24 | 180 | |
| 200 | 600 | 335 | 295 | 265 | 12-ф23 | 26 | 215 | |
| HY41W-25T | 15 | 130 | 95 | 65 | 45 | 4-ф14 | 16 | 77 |
| 20 | 150 | 105 | 75 | 55 | 4-ф14 | 16 | 77 | |
| 25 | 160 | 115 | 85 | 65 | 4-ф14 | 16 | 80 | |
| 32 | 180 | 135 | 100 | 78 | 4-ф18 | 18 | 85 | |
| 40 | 200 | 145 | 110 | 85 | 4-ф18 | 18 | 95 | |
| 50 | 230 | 160 | 125 | 100 | 4-ф18 | 20 | 105 | |
| 65 | 290 | 180 | 145 | 120 | 8-ф18 | 22 | 120 | |
| 80 | 310 | 195 | 160 | 135 | 8-ф18 | 22 | 130 | |
| 100 | 350 | 230 | 190 | 160 | 8-ф23 | 24 | 140 | |
| 125 | 400 | 270 | 220 | 188 | 8-ф25 | 28 | 155 | |
| 150 | 480 | 300 | 250 | 218 | 8-ф25 | 30 | 180 | |
| 200 | 600 | 360 | 310 | 278 | 12-ф30 | 34 | 215 | |